EVE CR2032 3V 225mAh AW 2PT YATAY 15.20 Lityum Pil (HDA000028-M0116Y)

Fiyat : ₺16,68(KDV Dahil)

🔹 ÜRÜN AÇIKLAMASI

EVE CR2032 3V 225mAh yatay pinli lityum pil, PCB montaj gerektiren elektronik sistemler için geliştirilmiş stabil ve uzun ömürlü enerji çözümüdür.

Standart CR2032 hücrenin 2 pinli yatay (horizontal) yapıya sahip versiyonu olup, devre kartına lehimlenerek sabit ve güvenilir bağlantı sağlar.

Li-MnO₂ (Lityum Mangan Dioksit) kimyası sayesinde:
Stabil 3V çıkış
Düşük self-discharge
Uzun raf ömrü (5–10 yıl)

sunarak özellikle düşük güç tüketimli devrelerde kesintisiz çalışma sağlar.

Bu model özellikle RTC, BIOS, IoT ve endüstriyel kart uygulamaları için idealdir.


🔹 ZORUNLU ÖZELLİKLER

Ürün Tipi: Lityum Düğme Pil (PCB Tip)
Kimya: Lithium MnO₂ (CR Serisi)
Nominal Gerilim: 3V
Nominal Kapasite: 225 mAh
Enerji: ~0.68 Wh
Pil Formu: Coin / Düğme
Model: CR2032
Bağlantı Tipi: 2 Pin Yatay (Horizontal)
Şarj Edilebilir: Hayır


🔹 ELEKTRİKSEL & PERFORMANS ÖZELLİKLERİ

Nominal Voltaj: 3V
Kapasite: ~225 mAh
Maks. Sürekli Akım: ~3 mA
Darbe Akımı: ~10–15 mA
Kendi Kendine Deşarj: ~%1/yıl
Çalışma Sıcaklığı: -20°C / +70°C
Kullanım Profili: Düşük akım – uzun süre

👉 Bu pil = yüksek akım değil → uzun ömür PCB pili


🔹 GÜVENLİK & KORUMA

Sızdırmaz metal gövde
Düşük sızıntı riski
Cıva içermez
Uzun raf ömrü
Stabil kimyasal yapı


🔹 MEKANİK & FİZİKSEL ÖZELLİKLER

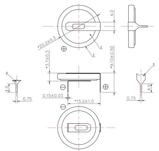
Çap: 20 mm
Kalınlık: 3.2 mm
Pin Yapısı: 2 Pin Yatay (AW Tip)
Pin Aralığı: ~15.2 mm
Montaj: PCB lehimleme
Gövde: Metal coin hücre


🔹 KULLANIM ALANLARI

• Anakart BIOS pili
• RTC (saat devreleri)
• IoT cihazlar
• Endüstriyel kontrol kartları
• Sensör sistemleri
• Medikal cihazlar
• Elektronik devre projeleri

👉 PCB sabitleme gereken tüm uygulamalar için ideal


🔹 UYGUN OLMAYAN KULLANIMLAR

• Yüksek akım gerektiren cihazlar
• Motor / güç uygulamaları
• Şarj edilebilir sistemler
• Powerbank


🔹 GÜVENLİK UYARISI

Şarj etmeyiniz
Kısa devre yaptırmayınız
Delmeyiniz / ezmeyiniz
Çocuklardan uzak tutunuz


🔹 TEKNİK NOT

Pinli CR2032 modeller, soketli pillere göre:
Daha sağlam bağlantı
Titreşime dayanıklılık
Uzun süreli sabit kullanım

avantajı sağlar.

Yatay (horizontal) pin yapısı, özellikle yüksekliği sınırlı PCB tasarımlarında tercih edilir.

Ürün Tipi
Primary Lityum Pil
Kimya/Teknoloji
Li-MnO₂ (Lityum Manganez Dioksit)
Konfigürasyon
1 S
Nominal Gerilim
3.0 V
Nominal Kapasite
225 mAh
Sürekli Akım / Güç
3 mA / 15 mA
Boyut / Ağırlık
20 x 3.2 mm (Coin Hücre)
Kullanım Ömrü
~5-10 Yıl Raf Ömrü
Proje Ve Özel Adet Talepleriniz İçin
Teklif İste
cultureSettings.RegionId: 0 cultureSettings.LanguageCode: TR